
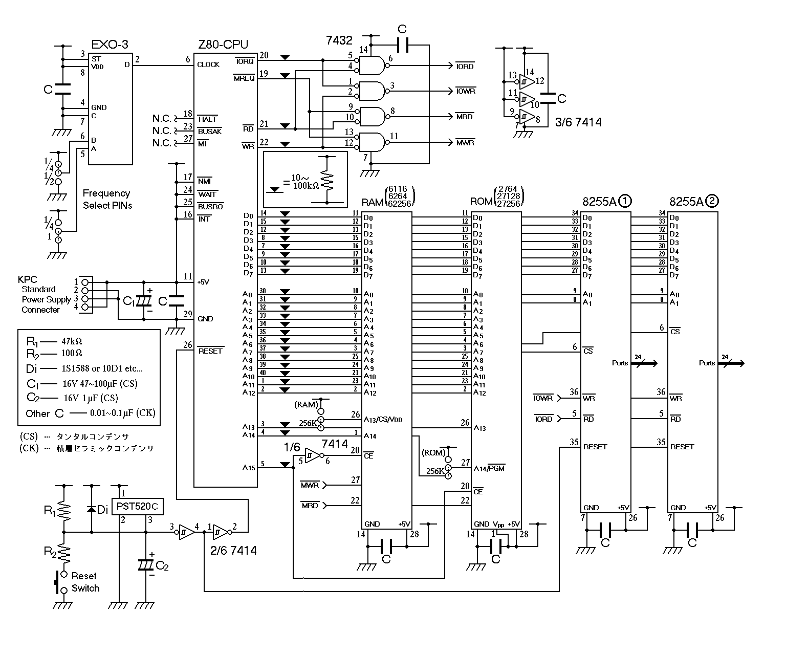
Z80 system, with EPROM, RAM, 8255 PIO

This picture in bigger format
Some EPROMs require 0 or +5 at the VPP pin to enable read, on most 27C256 tire VPP to +5
The EXO-3 is some sort of an Xtal? Oscillator with selectable divider
The PST520A is a low-voltage controlled reset
Memory map:
EPROM = 0000h - 7fffh
RAM = 8000h - ffffh
IO map:
Base adr. PIO 1 = 40h
Base adr. PIO 2 = 80h