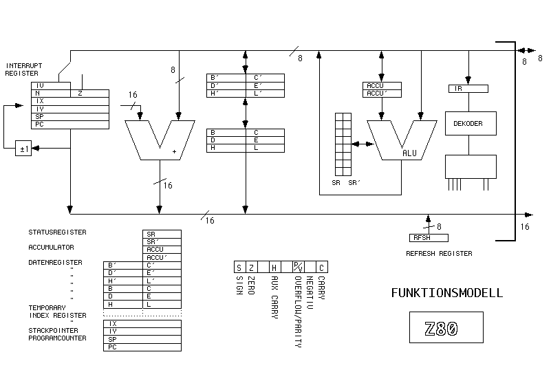
Der Z80 wurde in verschiedenen frühen Personal Computern eingesetzt. (TRS80). Die Firma Zilog hat heute eine Reihe leistungsfähiger Mikrocontroller mit dem ursprünglichen Z80 Kern. Diese Mikrocontroller Z8, Z180 und Produkte der Firma Toshiba TMPZ84C015 sind für kleinere embedded Control Projekte sehr gut geeignet.
Der Z80 hat relativ viele interne Register, ist aber in Hinblick auf die verfügbaren Adressierungsarten etwas eingeschränkt.
